Produkter
Kvalitets første kunde først og fremmest innovation drevet
J & W - Produkter
BMW Hjulafstandsadapter
  • BMW HjulafstandsadapterBMW Hjulafstandsadapter
  • BMW HjulafstandsadapterBMW Hjulafstandsadapter

BMW Hjulafstandsadapter

Vi J&W Automotive Parts Co.,Ltd. har over ti års erfaring med fremstilling af hjulafstandsstykker, og vi ejer tre 800 tons smedemaskiner og 40 bearbejdningscentre. Vi byder både nye og eksisterende kunder velkommen til at kontakte os for forespørgsler. Vi understøtter også ODM og kan tilpasse hjulafstandsstykker efter dine krav.

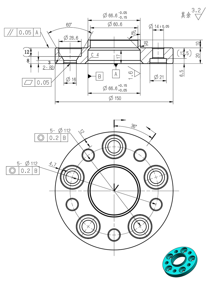
For BMW Wheel Spacer Adapter har to forskellige typer af hjulafstandsstykker, den ene er hjulafstandsstykket med de forlængede bolte, og den anden er hjulafstandsstykket med indsatsmøtrikkerne. Hvorfor sådan, for det er op til hvilken tykkelse du ønsker. Det er let at forstå, højden på indsatsmøtrikken er ca. 18mm, så det kan være ikke at sætte ind i 10mm hjulafstandsstykket. Så tykkelsen er mindre end 20 mm, vi kan kun producere hjulafstandsstykket med de forlængede bolte, og tykkere end 20 mm foreslår vi, at du vælger indsatstypen, det vil være mere sikkert. Og for BMW har tre forskellige gevindstigninger, M12x1.5, M14x1.5 og M14x1.25, skal du tjekke det først. Og normalt er PCD 5x112 og Center Bore Diameter 66.6, en gammel type er anderledes, du skal tjekke først.

Vores fabrik kan også fremstille i henhold til de tegninger, du leverer, og vi understøtter tilpasning. Vi tilbyder to materialemuligheder, 6061 og 7073, og trykstøbningsproduktionsprocessen sikrer høj styrke og modstandsdygtighed over for revner.

Hot Tags:
Relateret kategori
Send forespørgsel
Kontaktoplysninger
  • Adresse

    No.539 Guangyi Road, Guanhaiwei Town, Cixi, Ningbo, Zhejiang, Kina

  • Tlf

For forespørgsler om hjulafstandsadaptere, hjullugmøtrikker, hjulslugbolte eller prisliste, skal du forlade din e -mail til os, og vi vil være i kontakt inden for 24 timer.
X
Vi bruger cookies til at tilbyde dig en bedre browsingoplevelse, analysere trafik på webstedet og tilpasse indhold. Ved at bruge denne side accepterer du vores brug af cookies. Privatlivspolitik
Afvise Acceptere